Projects

Data Visualization

OrbitEye

An educational visualization of orbital satellite data. Built in React with D3 and ThreeJS for a class project at KTH.

Academic Project

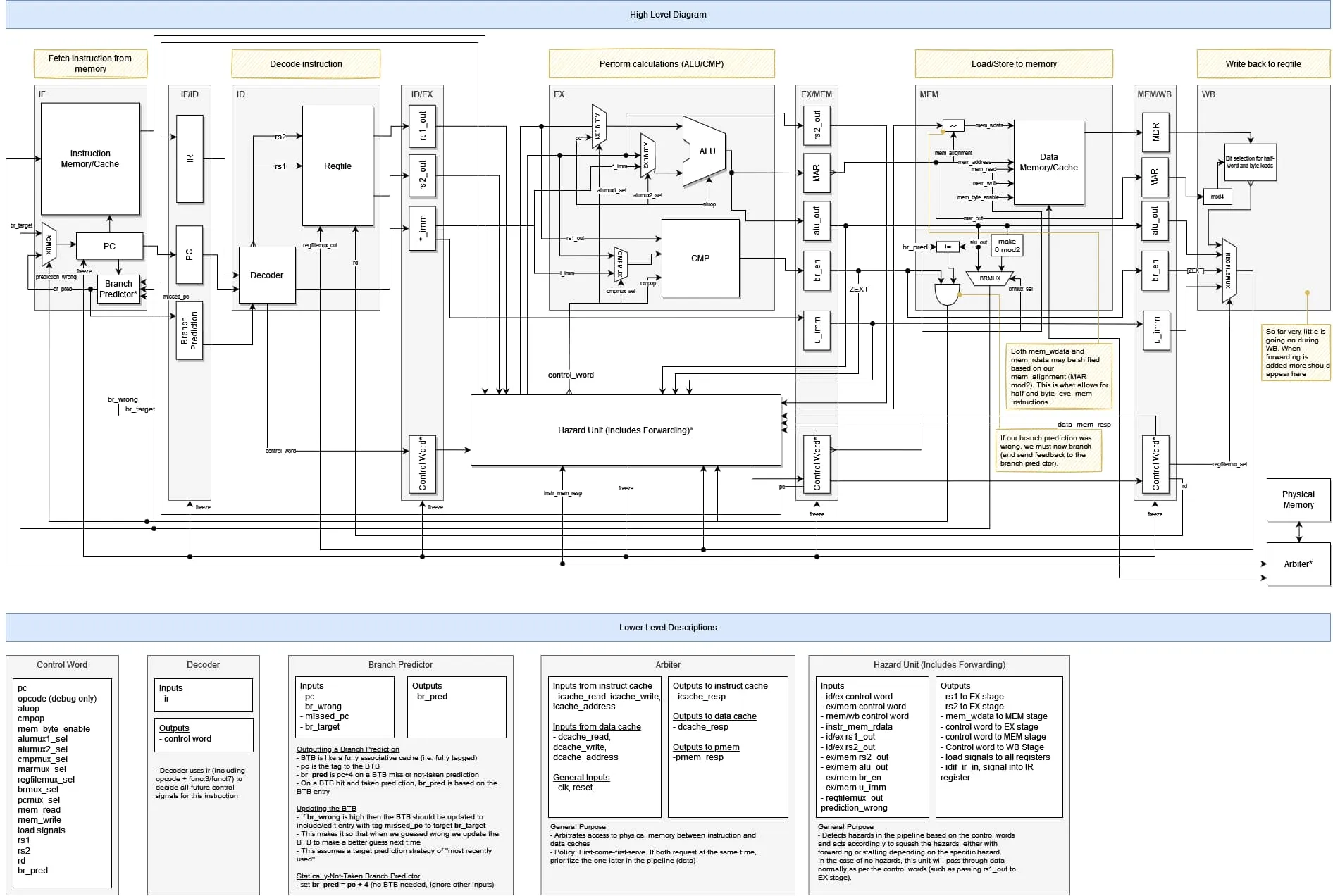
RISC-V Pipelined Processor

A SystemVerilog design for a pipelined RISC-V processor with L2 cache and wallace tree multiplication.

Mech Mania

MechMania 27

Visualizer built in the Godot game engine for MechMania 27, an AI hackathon.

Computer Graphics

WebGL Fluid Simulation

A fluid simulation built with WebGL shaders. Accompanied by a written guide and intended as an introductory project for SIGGRAPH students.

Computer Graphics

WebGL Path Tracer

A path tracer built with WebGL shaders. Created as part of a course project following Pete Shirley's Ray Tracing in One Weekend.

Academic Project

391OS Custom Kernel

A custom kernel written in C for UIUC's ECE 391 course. Supports multiple terminals and scheduling.

Mech Mania

MechMania 26

The game engine for MechMania 26, the first year with a continuous-style MMO game.

Academic Project

Lurking in the Dark

A SystemVerilog design for a basic graphics accelerator paired with a C++ recreation of the game Lurking in the Dark made to run on an FPGA.

Academic Project

Interactive Fiction

A text-based video game that takes the player through the history of the founding of the Baha'i temple in Willmette, Illinois.

Mech Mania

MechMania 25

A turn-based multi-character strategy battler built in Java, and my first Mech Mania game engine.

Arduino

Nokia Intern Robotics

An expansion of the BOEBot kit made to clear challenges set out by the competition runners at Nokia.

Arduino

ECE 120 Honors Project

A breadboard circuit using an Arduino, a keypad, an RFID scanner, an LCD screen, and basic logic gates to create a simple security system.

Mech Mania

MechMania 24

A simple bot built to compete in MechMania 24: Rock Paper Scissors. Uses manually set weights and biases to choose a strategy.

Web Development

NHS Website

A website built for my local NHS chapter. Uses an SQL database to keep track of volunteer hours and enable quick and easy sign ups.

Web Development

Foodle

A website built for my first hackathon. Mimics collaborative filtering algorithms to find recommended recipes based on your history and friends.